關於米其林
產品介紹
快速定位盤
21355 快速定位盤
21060 52P 快速交換盤
21062 96P 快速交換盤
21066 96P/52P 轉接盤
零點定位系統
21256 零點定位系統
21262 零點定位拉頭
沖子研磨機.成型器
沖子研磨器-小型
31010 小型沖子研磨器
31011-05 小型沖子研磨器
沖子研磨器-標準型
31015 沖子研磨機
31025 電動沖子研磨機
31035 沖子研磨機
31036 角度修整器
31038 電動沖子研磨機
31045 雙向沖子研磨器
31055 三爪研磨機
31058 電動三爪研磨機
31065 筒夾研磨機
31066 沖子研磨器正弦座
31068 電動筒夾研磨機
31069 頂針沖子研磨器
31070 三爪頂針沖子研磨器
31071 電動頂針沖子研磨器
31072 電動三爪頂針沖子研磨器
31080 精密級雙向沖子成型器
31085 精密級單向沖子成型器
31090 精密級多功能沖子成型器-主體
31095 精密級三爪沖子成型器
31100 超精密三爪沖子成型器
31105 精密級三爪沖子成型器
31110 精密級ER沖子成型器
31120 精密級3R沖子成型器
31125 精密級EQC沖子成型器
31135 精密級電動多功能沖子成型器-主體
31140 超精密電動三爪沖子成型器
31145 精密級電動三爪沖子成型器
31150 精密級電動三爪沖子成型器
31155 精密電動三爪沖子成型器
31160 精密級電動ER沖子成型器
31165 精密電動ER沖子成型器
沖子研磨器-中型
31175 精密級中型單向沖子成型器
31180 精密級中型雙向沖子成型器
沖子研磨器-大型
31030 大型沖子研磨器
31032 雙向大型沖子研磨器
31026 大型三爪冲子成型器
31028 大型三爪電動沖子成型器
31185 精密級大型單向沖子成型器
31190 精密級大型雙向沖子成型器
31195 精密級大型三爪沖子成型器
砂輪成型修整器
32010 鑽石修整器
32050 砂輪角度修整器
32048 雙面砂輪修整器
32018 透視砂輪修整器
32028 砂輪修整器
32029 砂輪修整器
32038 萬能砂輪整修器
32070 砂輪修整器
32085 砂輪平行修整器
32086 進刀管
32087 套筒
32116 砂輪角度修整器
法蘭相關
法蘭組.砂輪穀
33130-01 法蘭組 (MCL-0101)
33130-03 法蘭組 (USA)
33130-05 法蘭組 (大同EN350)
33130-06 法蘭組 (BS)
33130-07 法蘭組 (英國JS540)
33130-10 法蘭組 (岡本32DX)
33130-14 光學法蘭組 (小)
33130-15 光學法蘭組 (大)
33130-32 法蘭組 (瓦西諾C010)
33130-35 法蘭組 (和井田)
33134-62 法蘭組 (PGX-2500)
33130-95 法蘭組 (EN250)
33131-11 法蘭組 (MCL-410)
33131-48 法蘭組 (岡本52DX)
33132-03 法蘭組 (瓦西諾C015)
33132-10 刻度法蘭組 (大同EN350)
33132-40 刻度法蘭組 (岡本)
砂輪平衡台
32210 8"平衡台
32215 16"/20" 平衡台
32220 20"滑輪式平衡台
法蘭周邊
33135 砂輪架
33146-10 鎖緊板手
33147 紅丹/青丹(日本製)
磨床配件系列
線切割EDM
30100 線切割萬力 (不銹鋼)
30101 線切割萬力 (不銹鋼)
30102 線切割萬力 (不銹鋼)
30103 微調式線切割萬力 (不銹鋼)
放電加工萬力
33002 放電加工萬力
33003 放電加工萬力 (不銹鋼)
角度墊塊 / 正弦座 /V型塊
33000-10 立臥磁性正弦桿
33001-05 磁性正弦桿
33075 V型塊
33080 可調式角度墊塊
33090 精密角度板
33095 精密角度座
33096 精密角度座
33100 V型塊組
33120 精密角度板
33125 角度墊塊
33126 正弦棒
34010 正弦座
34015 雙向正弦座
平行板
33105 平行墊塊
33106 4.6MM平行板
33107 6.8MM平行板
33108 10MM平行板
33110 平行板
33111 8.5MM平行板
33113 8MM平行板
33115 1/4ʺ平行板
33116 4MM平行板
33118 8MM平行板
磁性工具
永久磁盤/不銹鋼永久磁盤/迴轉磁盤
34034 強力圓形星目電磁盤
34035 強力圓形星目磁盤
34038 無段旋轉磁盤
34041 細目圓形磁盤
34042 粗目圓形磁盤
34043 超強力永久磁盤
34044 超硬永久磁盤
34051 細目迴轉磁盤
34050 粗目迴轉磁盤
34054 強力型永久磁座
34055 強力粗目永久磁盤
34056 強力型永久磁盤
34058 粗目永久磁盤
34060 粗目永久磁盤
34063 垂直型永久磁盤
34064 超薄型永久磁盤
34065 細目薄型永久磁盤
34066 細目永久磁盤
34067 不鏽鋼細目永久磁盤
34068 粗目永久磁盤
34083 超強磁力工作台
電磁夾盤/永電式磁盤/迴轉電磁盤
34052 細目迴轉電磁盤
34053 粗目迴轉電磁盤
34070 粗目電磁盤
34074 細目電磁盤
34075 細目電磁盤
34080 強力電磁盤
34184 細目電永磁夾盤
34186 粗目電永磁夾盤
34188 方陣列電永磁夾盤
34189 圓形方陣列電永磁夾盤
34190 圓形星目電永磁夾盤
34193 細目超強力電永磁夾盤
34196 橫向超強力電永磁夾盤
磁盤整流控制器
34085 磁盤控制器
34090 磁盤控制器
34183 EPM系列用整流控制器
脫磁器/除屑器
34092 棒型脫磁器
34094 圓型脫磁器
34096 隧道型脫磁器
34100 手持脫磁器
34103 脫磁器
34105 脫磁器
34106 脫磁器
34107 脫磁器
34108 脫磁器
34110 脫磁器
34111 磁性油槽除粉器
34112 手提除粉器
34113 手提吸鐵器
磁性吊盤
34169 開關式永久吊盤
34175 開關式永久磁性吊盤
磁性座/萬向曲管/磁性吸塊
34045 導磁塊
34046 方型磁性塊
34047 磁性V型座
34049 磁性V型座組
34125 槓桿磁性座
34128 磁性座
34132 噴水磁性座
34134 磁性燈座
34136 磁性吸塊
34138 磁力吸塊
34141 萬向曲管磁性座
34142 萬向曲管凡而組
正弦磁性座
34020 粗目正弦磁性座
34021 細目正弦磁性座
34025 細目正弦磁性座
34027 微調正弦磁性座
34029 雙向正弦磁性座
虎鉗類
五軸虎鉗/求心虎鉗
21015 插夾式虎鉗 (3")
21015 插夾式虎鉗 (5")
21305 同動求心虎鉗
21310 同動求心虎鉗
21000 插夾式虎鉗 (2" 3")
21000 插夾式虎鉗 (5")
21005 插夾式虎鉗 (3")
21005 插夾式虎鉗 (5")
21010 插夾式虎鉗 (5")
21300 同動求心虎鉗
34906 同動求心虎鉗
35018 雙鎖式求心虎鉗
並列式虎鉗/多夾式虎鉗
35000 多功能向量式雙向虎鉗
35046 多功能雙向虎鉗
35028 精密虎鉗
35043 精密連體虎鉗
倍力虎鉗
35024 倍力增壓式精密虎鉗
35025 MC定壓式倍力虎鉗
35031 精密倍力角固虎鉗
角固虎鉗
35001 高級角固虎鉗
35010 輕便角固虎鉗
35030 光面角固虎鉗
35036 超大開口角固虎鉗
35039 延長式角固虎鉗
35048 精密螺牙式角固虎鉗
油壓虎鉗
35050 油壓虎鉗
35055 可調式油壓虎鉗
35058 角固油壓虎鉗
35059 MC精密油壓角固虎鉗
35060 外藏式油壓虎鉗
35061 迴轉底座
35062 精密油壓角固虎鉗
35064 雙用把手精密油壓角固虎鉗
35065 並列式精密油壓虎鉗
35070 大開口油壓虎鉗
氣壓虎鉗
35075 快速氣壓虎鉗
35077 MC精密空/油壓虎鉗
傳統螺桿式虎鉗
35012 十字型虎鉗
35014 魔術虎鉗
35015 快速虎鉗
35035 K型虎鉗
精密虎鉗工具萬力
工具萬力-不鏽鋼
30105 不銹鋼工具萬力
30106 不銹鋼工具萬力
30107 不銹鋼工具萬力
工具萬力-板手調整
33004 小型工具萬力
33006 工具萬力(普級品)
33005 工具萬力(高級品)
33015 精密工具萬力(特級品)
33014 精密工具萬力(超特級品)
工具萬力-手輪把手
33016 精密工具萬力(油壓式)
33012 工具萬力(普級品)
33010 工具萬力(高級品)
33016 精密工具萬力(特級品)
35042 雙向精密虎鉗
工具萬力-雙向型/正弦型
33060 正弦工具萬力
33070 正弦工具萬力
33065 正弦工具萬力
33017-07 微調正弦萬力
33018-07 側向微調正弦萬力
33019-07 微調正弦萬力
33020-07 雙向微調正弦萬力
銑床配件系列
真空吸盤
34181 真空吸盤
MC基座/MC基板 / 治具
35008 M/C八面基座
35290 MC基板
35295 MC基板
35300 MC基板
35305 MC基板
35310 MC基板
35315 MC基板
35320 四面基座
35325 四面基座
35330 四面基座
35335 雙面基座
35340 雙面基座
35345 雙面基座
35350 替換式雙面基座
35355 輔助板
35360 輔助板
35365 圓形基板
35370 圓形基板
35375 圓形基板
35380 輔助板
35385 直角基座
35390 直角基座
35395 直角基座
35400 直角基座
35405 直角基座
35410 方型墊塊
35415 方型墊塊
35420 方型墊塊
35425 方型墊塊
35550 H型治具
35553 方型治具
35556 長方型治具
35559 U型治具
35562 U型治具
35565 L型治具
35568 L型治具
35571 L加強型治具
35574 T加強型治具
35577 長方型治具板
35580 L型治具
35583 45˚三角型治具
35586 30˚三角型治具
夾具/千心頂/壓板/螺絲
35078 OK-VISE精巧型夾鉗
35650 精巧雙向夾具A型
35652 精巧雙向夾具B型
35654 精巧雙向夾具C型
滑座
39140 鳩尾型滑座
39145 鳩尾型滑座
39150 單向角牙滑座
39152 單向角牙滑座
39154 經濟型滑座
39156 強力型滑座
分割頭/分度頭/工作台
36055 D7強力三爪分度頭
36058 蜂巢板
36059 尾座
36060 BS工作頭
36065 BS工作頭
36070 BS工作頭
36075 分割工作盤
36080 分割工作頭
36085 萬能分割頭
36090 可調式工作台
36095 可調式工作台
36100 簡易式工作台
36105 角度座
36110 超精密搪銑分割台
刀桿系列
夾具刀桿
37030 鑽頭夾具
37033 鑽頭夾具
37122 齒輪式鑽頭夾具
筒夾刀桿
37047 R8筒夾柄
37055 ER直柄筒夾柄
37158 ER攻牙柄
37058 ER筒夾
搪孔刀桿
37232 MCL-85 搪孔器
刀桿周邊
37016-37017 鑽頭套筒
37240 鎖刀座
37245 鎖刀座
37246 鎖刀座
37250 清潔棒
37255 刀具車
37258 刀具架
車床/圓筒磨床配件
迴轉頂針 / 帶動環
38428 傘型頂針
38515 迴轉頂針
38517 可調式頂針
38518 普通頂針
38519 中負荷頂針
38520 重負荷頂針
38521 超高速頂針
38522 高性能頂針
38524 超重負荷頂針
38530 高速頂針
38580 帶動環
固定頂針/鎢鋼固定頂針
38430 固定頂針
38435 半邊固定頂針
38460 鎢鋼頂針
38465-38470 半邊鎢鋼頂針
38475 鎢鋼頂針
38480 鎢鋼頂針
38485 鎢鋼頂針
38490 鎢鋼頂針
38495 鎢鋼頂針
38500 鎢鋼頂針
38505 頂針螺帽
38545 免夾頂針
生爪/成型圈/車型盤
36008 油壓生爪成型圈
36009 油壓生爪車型盤
36010 油壓生爪 (標準型/特殊型)
36015 強力生爪
油壓夾頭 (三爪) / 油壓迴轉缸 / 氣壓夾頭 (二爪 / 三爪)
36017 薄型高速中空油壓迴轉缸
36018 大孔徑三爪高速中空油壓夾頭
36019 大孔徑超薄中空油壓迴轉缸
36037 中實油壓迴轉缸
36038 二爪中實油壓夾頭
36039 三爪中實油壓夾頭
36041 高速中空油壓迴轉缸
36042 四爪高速中空油壓夾頭
36043 二爪高速中空油壓夾頭
36044 三爪高速中空油壓夾頭
36049 後拉式油壓夾頭
36051 內藏式中空(氣)油壓二爪夾盤
36052 內藏式中空(氣)油壓三爪夾盤
36053 兩軸自動求心氣壓夾盤
手動夾頭 (三爪/四爪/六爪)
36024 超薄三爪
36025 普通型三爪
36030 普通型連動四爪
36032 錐型六爪
36033 錐型八爪
36035 強力型三爪
36036 直裝型強力三爪
36040 強力型連動四爪
36045 超薄型強力三爪
36046 齒式鋼殼二爪
36047 齒式鋼殼三爪
36050 超薄方型四爪
氣壓夾頭 (三爪/四爪)
36016 迴轉式氣壓夾盤
主軸系列 / 砂輪接桿
內徑研磨主軸 / 端面研磨主軸
38010 端面研磨主軸
38013 內徑研磨主軸
38015 內徑研磨主軸
平面磨床研磨主軸
38020 平面磨床主軸 (建德618.818)
38021 平面磨床主軸 (建德618.818)
38030 平面磨床主軸 (大型龍門用)
38035 平面磨床主軸 (大同618.818)
搪銑主軸頭 / 銑頭
38100 連動打刀延伸銑頭
38105 萬向銑頭
38110 輕型90˚銑頭
38115 小型90˚銑頭
磨刀機專用主軸
38022 磨刀機研磨主軸
砂輪接桿 / 砂輪接柄
38011 砂輪活動接桿
38012 砂輪接桿
專用機/小型加工機械
攻牙機/攻牙器/牙攻去除機
37598 簡易型氣動攻牙機
37599 搖臂型氣動攻牙機
37600 搖臂加長型氣動攻牙機
37605 手動磁性攻牙器
手動銘版編號機
39110 手動銘版編號機
機械週邊設備
磁鐵紙帶過濾機
39060 紙帶+磁鐵過濾機
39061 紙帶過濾機
39062 磁鐵過濾機
切削液淨化循環機
39600 切削液淨化循環機
花崗石類
規格檢查周邊
39380 花崗石平台
94250 直角標準座
最新消息
展覽資訊
經銷據點
聯絡我們
繁體中文
English
繁體中文
關於米其林
產品介紹
快速定位盤
21355 快速定位盤
21060 52P 快速交換盤
21062 96P 快速交換盤
21066 96P/52P 轉接盤
零點定位系統
21256 零點定位系統
21262 零點定位拉頭
沖子研磨機.成型器
沖子研磨器-小型
31010 小型沖子研磨器
31011-05 小型沖子研磨器
沖子研磨器-標準型
31015 沖子研磨機
31025 電動沖子研磨機
31035 沖子研磨機
31036 角度修整器
31038 電動沖子研磨機
31045 雙向沖子研磨器
31055 三爪研磨機
31058 電動三爪研磨機
31065 筒夾研磨機
31066 沖子研磨器正弦座
31068 電動筒夾研磨機
31069 頂針沖子研磨器
31070 三爪頂針沖子研磨器
31071 電動頂針沖子研磨器
31072 電動三爪頂針沖子研磨器
31080 精密級雙向沖子成型器
31085 精密級單向沖子成型器
31090 精密級多功能沖子成型器-主體
31095 精密級三爪沖子成型器
31100 超精密三爪沖子成型器
31105 精密級三爪沖子成型器
31110 精密級ER沖子成型器
31120 精密級3R沖子成型器
31125 精密級EQC沖子成型器
31135 精密級電動多功能沖子成型器-主體
31140 超精密電動三爪沖子成型器
31145 精密級電動三爪沖子成型器
31150 精密級電動三爪沖子成型器
31155 精密電動三爪沖子成型器
31160 精密級電動ER沖子成型器
31165 精密電動ER沖子成型器
沖子研磨器-中型
31175 精密級中型單向沖子成型器
31180 精密級中型雙向沖子成型器
沖子研磨器-大型
31030 大型沖子研磨器
31032 雙向大型沖子研磨器
31026 大型三爪冲子成型器
31028 大型三爪電動沖子成型器
31185 精密級大型單向沖子成型器
31190 精密級大型雙向沖子成型器
31195 精密級大型三爪沖子成型器
砂輪成型修整器
32010 鑽石修整器
32050 砂輪角度修整器
32048 雙面砂輪修整器
32018 透視砂輪修整器
32028 砂輪修整器
32029 砂輪修整器
32038 萬能砂輪整修器
32070 砂輪修整器
32085 砂輪平行修整器
32086 進刀管
32087 套筒
32116 砂輪角度修整器
法蘭相關
法蘭組.砂輪穀
33130-01 法蘭組 (MCL-0101)
33130-03 法蘭組 (USA)
33130-05 法蘭組 (大同EN350)
33130-06 法蘭組 (BS)
33130-07 法蘭組 (英國JS540)
33130-10 法蘭組 (岡本32DX)
33130-14 光學法蘭組 (小)
33130-15 光學法蘭組 (大)
33130-32 法蘭組 (瓦西諾C010)
33130-35 法蘭組 (和井田)
33134-62 法蘭組 (PGX-2500)
33130-95 法蘭組 (EN250)
33131-11 法蘭組 (MCL-410)
33131-48 法蘭組 (岡本52DX)
33132-03 法蘭組 (瓦西諾C015)
33132-10 刻度法蘭組 (大同EN350)
33132-40 刻度法蘭組 (岡本)
砂輪平衡台
32210 8"平衡台
32215 16"/20" 平衡台
32220 20"滑輪式平衡台
法蘭周邊
33135 砂輪架
33146-10 鎖緊板手
33147 紅丹/青丹(日本製)
磨床配件系列
線切割EDM
30100 線切割萬力 (不銹鋼)
30101 線切割萬力 (不銹鋼)
30102 線切割萬力 (不銹鋼)
30103 微調式線切割萬力 (不銹鋼)
放電加工萬力
33002 放電加工萬力
33003 放電加工萬力 (不銹鋼)
角度墊塊 / 正弦座 /V型塊
33000-10 立臥磁性正弦桿
33001-05 磁性正弦桿
33075 V型塊
33080 可調式角度墊塊
33090 精密角度板
33095 精密角度座
33096 精密角度座
33100 V型塊組
33120 精密角度板
33125 角度墊塊
33126 正弦棒
34010 正弦座
34015 雙向正弦座
平行板
33105 平行墊塊
33106 4.6MM平行板
33107 6.8MM平行板
33108 10MM平行板
33110 平行板
33111 8.5MM平行板
33113 8MM平行板
33115 1/4ʺ平行板
33116 4MM平行板
33118 8MM平行板
磁性工具
永久磁盤/不銹鋼永久磁盤/迴轉磁盤
34034 強力圓形星目電磁盤
34035 強力圓形星目磁盤
34038 無段旋轉磁盤
34041 細目圓形磁盤
34042 粗目圓形磁盤
34043 超強力永久磁盤
34044 超硬永久磁盤
34051 細目迴轉磁盤
34050 粗目迴轉磁盤
34054 強力型永久磁座
34055 強力粗目永久磁盤
34056 強力型永久磁盤
34058 粗目永久磁盤
34060 粗目永久磁盤
34063 垂直型永久磁盤
34064 超薄型永久磁盤
34065 細目薄型永久磁盤
34066 細目永久磁盤
34067 不鏽鋼細目永久磁盤
34068 粗目永久磁盤
34083 超強磁力工作台
電磁夾盤/永電式磁盤/迴轉電磁盤
34052 細目迴轉電磁盤
34053 粗目迴轉電磁盤
34070 粗目電磁盤
34074 細目電磁盤
34075 細目電磁盤
34080 強力電磁盤
34184 細目電永磁夾盤
34186 粗目電永磁夾盤
34188 方陣列電永磁夾盤
34189 圓形方陣列電永磁夾盤
34190 圓形星目電永磁夾盤
34193 細目超強力電永磁夾盤
34196 橫向超強力電永磁夾盤
磁盤整流控制器
34085 磁盤控制器
34090 磁盤控制器
34183 EPM系列用整流控制器
脫磁器/除屑器
34092 棒型脫磁器
34094 圓型脫磁器
34096 隧道型脫磁器
34100 手持脫磁器
34103 脫磁器
34105 脫磁器
34106 脫磁器
34107 脫磁器
34108 脫磁器
34110 脫磁器
34111 磁性油槽除粉器
34112 手提除粉器
34113 手提吸鐵器
磁性吊盤
34169 開關式永久吊盤
34175 開關式永久磁性吊盤
磁性座/萬向曲管/磁性吸塊
34045 導磁塊
34046 方型磁性塊
34047 磁性V型座
34049 磁性V型座組
34125 槓桿磁性座
34128 磁性座
34132 噴水磁性座
34134 磁性燈座
34136 磁性吸塊
34138 磁力吸塊
34141 萬向曲管磁性座
34142 萬向曲管凡而組
正弦磁性座
34020 粗目正弦磁性座
34021 細目正弦磁性座
34025 細目正弦磁性座
34027 微調正弦磁性座
34029 雙向正弦磁性座
虎鉗類
五軸虎鉗/求心虎鉗
21015 插夾式虎鉗 (3")
21015 插夾式虎鉗 (5")
21305 同動求心虎鉗
21310 同動求心虎鉗
21000 插夾式虎鉗 (2" 3")
21000 插夾式虎鉗 (5")
21005 插夾式虎鉗 (3")
21005 插夾式虎鉗 (5")
21010 插夾式虎鉗 (5")
21300 同動求心虎鉗
34906 同動求心虎鉗
35018 雙鎖式求心虎鉗
並列式虎鉗/多夾式虎鉗
35000 多功能向量式雙向虎鉗
35046 多功能雙向虎鉗
35028 精密虎鉗
35043 精密連體虎鉗
倍力虎鉗
35024 倍力增壓式精密虎鉗
35025 MC定壓式倍力虎鉗
35031 精密倍力角固虎鉗
角固虎鉗
35001 高級角固虎鉗
35010 輕便角固虎鉗
35030 光面角固虎鉗
35036 超大開口角固虎鉗
35039 延長式角固虎鉗
35048 精密螺牙式角固虎鉗
油壓虎鉗
35050 油壓虎鉗
35055 可調式油壓虎鉗
35058 角固油壓虎鉗
35059 MC精密油壓角固虎鉗
35060 外藏式油壓虎鉗
35061 迴轉底座
35062 精密油壓角固虎鉗
35064 雙用把手精密油壓角固虎鉗
35065 並列式精密油壓虎鉗
35070 大開口油壓虎鉗
氣壓虎鉗
35075 快速氣壓虎鉗
35077 MC精密空/油壓虎鉗
傳統螺桿式虎鉗
35012 十字型虎鉗
35014 魔術虎鉗
35015 快速虎鉗
35035 K型虎鉗
精密虎鉗工具萬力
工具萬力-不鏽鋼
30105 不銹鋼工具萬力
30106 不銹鋼工具萬力
30107 不銹鋼工具萬力
工具萬力-板手調整
33004 小型工具萬力
33006 工具萬力(普級品)
33005 工具萬力(高級品)
33015 精密工具萬力(特級品)
33014 精密工具萬力(超特級品)
工具萬力-手輪把手
33016 精密工具萬力(油壓式)
33012 工具萬力(普級品)
33010 工具萬力(高級品)
33016 精密工具萬力(特級品)
35042 雙向精密虎鉗
工具萬力-雙向型/正弦型
33060 正弦工具萬力
33070 正弦工具萬力
33065 正弦工具萬力
33017-07 微調正弦萬力
33018-07 側向微調正弦萬力
33019-07 微調正弦萬力
33020-07 雙向微調正弦萬力
銑床配件系列
真空吸盤
34181 真空吸盤
MC基座/MC基板 / 治具
35008 M/C八面基座
35290 MC基板
35295 MC基板
35300 MC基板
35305 MC基板
35310 MC基板
35315 MC基板
35320 四面基座
35325 四面基座
35330 四面基座
35335 雙面基座
35340 雙面基座
35345 雙面基座
35350 替換式雙面基座
35355 輔助板
35360 輔助板
35365 圓形基板
35370 圓形基板
35375 圓形基板
35380 輔助板
35385 直角基座
35390 直角基座
35395 直角基座
35400 直角基座
35405 直角基座
35410 方型墊塊
35415 方型墊塊
35420 方型墊塊
35425 方型墊塊
35550 H型治具
35553 方型治具
35556 長方型治具
35559 U型治具
35562 U型治具
35565 L型治具
35568 L型治具
35571 L加強型治具
35574 T加強型治具
35577 長方型治具板
35580 L型治具
35583 45˚三角型治具
35586 30˚三角型治具
夾具/千心頂/壓板/螺絲
35078 OK-VISE精巧型夾鉗
35650 精巧雙向夾具A型
35652 精巧雙向夾具B型
35654 精巧雙向夾具C型
滑座
39140 鳩尾型滑座
39145 鳩尾型滑座
39150 單向角牙滑座
39152 單向角牙滑座
39154 經濟型滑座
39156 強力型滑座
分割頭/分度頭/工作台
36055 D7強力三爪分度頭
36058 蜂巢板
36059 尾座
36060 BS工作頭
36065 BS工作頭
36070 BS工作頭
36075 分割工作盤
36080 分割工作頭
36085 萬能分割頭
36090 可調式工作台
36095 可調式工作台
36100 簡易式工作台
36105 角度座
36110 超精密搪銑分割台
刀桿系列
夾具刀桿
37030 鑽頭夾具
37033 鑽頭夾具
37122 齒輪式鑽頭夾具
筒夾刀桿
37047 R8筒夾柄
37055 ER直柄筒夾柄
37158 ER攻牙柄
37058 ER筒夾
搪孔刀桿
37232 MCL-85 搪孔器
刀桿周邊
37016-37017 鑽頭套筒
37240 鎖刀座
37245 鎖刀座
37246 鎖刀座
37250 清潔棒
37255 刀具車
37258 刀具架
車床/圓筒磨床配件
迴轉頂針 / 帶動環
38428 傘型頂針
38515 迴轉頂針
38517 可調式頂針
38518 普通頂針
38519 中負荷頂針
38520 重負荷頂針
38521 超高速頂針
38522 高性能頂針
38524 超重負荷頂針
38530 高速頂針
38580 帶動環
固定頂針/鎢鋼固定頂針
38430 固定頂針
38435 半邊固定頂針
38460 鎢鋼頂針
38465-38470 半邊鎢鋼頂針
38475 鎢鋼頂針
38480 鎢鋼頂針
38485 鎢鋼頂針
38490 鎢鋼頂針
38495 鎢鋼頂針
38500 鎢鋼頂針
38505 頂針螺帽
38545 免夾頂針
生爪/成型圈/車型盤
36008 油壓生爪成型圈
36009 油壓生爪車型盤
36010 油壓生爪 (標準型/特殊型)
36015 強力生爪
油壓夾頭 (三爪) / 油壓迴轉缸 / 氣壓夾頭 (二爪 / 三爪)
36017 薄型高速中空油壓迴轉缸
36018 大孔徑三爪高速中空油壓夾頭
36019 大孔徑超薄中空油壓迴轉缸
36037 中實油壓迴轉缸
36038 二爪中實油壓夾頭
36039 三爪中實油壓夾頭
36041 高速中空油壓迴轉缸
36042 四爪高速中空油壓夾頭
36043 二爪高速中空油壓夾頭
36044 三爪高速中空油壓夾頭
36049 後拉式油壓夾頭
36051 內藏式中空(氣)油壓二爪夾盤
36052 內藏式中空(氣)油壓三爪夾盤
36053 兩軸自動求心氣壓夾盤
手動夾頭 (三爪/四爪/六爪)
36024 超薄三爪
36025 普通型三爪
36030 普通型連動四爪
36032 錐型六爪
36033 錐型八爪
36035 強力型三爪
36036 直裝型強力三爪
36040 強力型連動四爪
36045 超薄型強力三爪
36046 齒式鋼殼二爪
36047 齒式鋼殼三爪
36050 超薄方型四爪
氣壓夾頭 (三爪/四爪)
36016 迴轉式氣壓夾盤
主軸系列 / 砂輪接桿
內徑研磨主軸 / 端面研磨主軸
38010 端面研磨主軸
38013 內徑研磨主軸
38015 內徑研磨主軸
平面磨床研磨主軸
38020 平面磨床主軸 (建德618.818)
38021 平面磨床主軸 (建德618.818)
38030 平面磨床主軸 (大型龍門用)
38035 平面磨床主軸 (大同618.818)
搪銑主軸頭 / 銑頭
38100 連動打刀延伸銑頭
38105 萬向銑頭
38110 輕型90˚銑頭
38115 小型90˚銑頭
磨刀機專用主軸
38022 磨刀機研磨主軸
砂輪接桿 / 砂輪接柄
38011 砂輪活動接桿
38012 砂輪接桿
專用機/小型加工機械
攻牙機/攻牙器/牙攻去除機
37598 簡易型氣動攻牙機
37599 搖臂型氣動攻牙機
37600 搖臂加長型氣動攻牙機
37605 手動磁性攻牙器
手動銘版編號機
39110 手動銘版編號機
機械週邊設備
磁鐵紙帶過濾機
39060 紙帶+磁鐵過濾機
39061 紙帶過濾機
39062 磁鐵過濾機
切削液淨化循環機
39600 切削液淨化循環機
花崗石類
規格檢查周邊
39380 花崗石平台
94250 直角標準座
最新消息
展覽資訊
經銷據點
聯絡我們
|
English
|
繁體中文
首頁
產品資訊
法蘭相關
法蘭組.砂輪穀
33130-01 法蘭組 (MCL-0101)
33130-01 法蘭組 (MCL-0101)
選擇附件
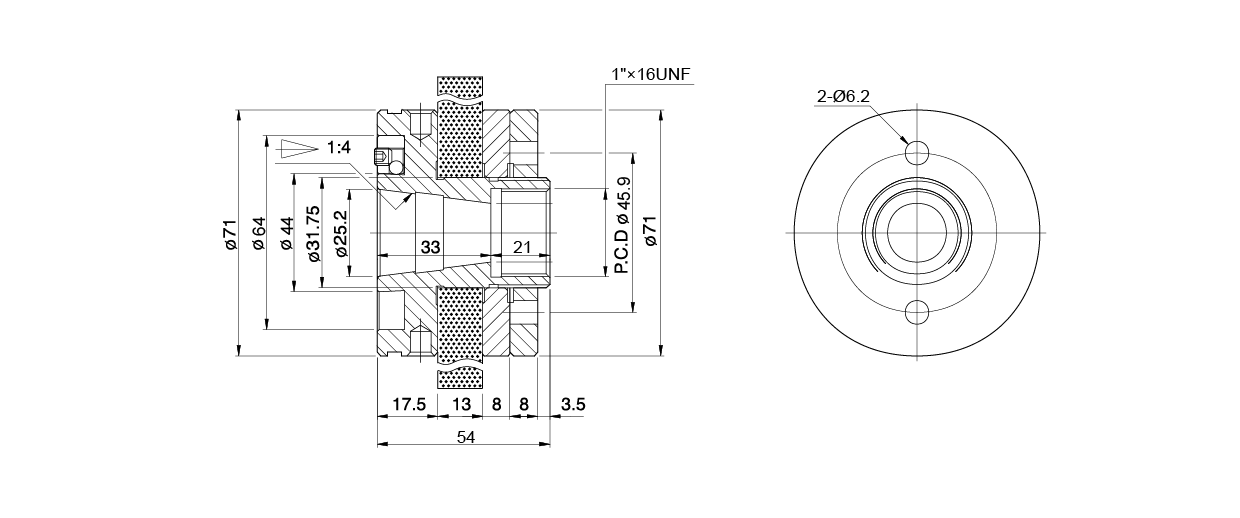
33130-01 法蘭組 (MCL-0101)
產品簡介
規格
●
適用於0101磨床系列機床主軸。